随着工业技术的不断发展和进步,压力管道在各个领域的应用越来越广泛,压力管道尺寸规范的要求是保证管道安全、高效运行的关键,本文将详细介绍压力管道尺寸规范的要求,以确保管道的设计、制造、安装和运行符合国家标准,保障人民生命财产安全。
压力管道尺寸规范的重要性
压力管道尺寸规范的要求是保障管道安全运行的基础,合理的管道尺寸设计能够确保管道内的流体顺畅流通,避免因尺寸不当导致的流体阻力增大、压力损失增加等问题,规范的管道尺寸还能保证管道的连接强度、密封性能以及整体结构的稳定性,从而避免泄漏、断裂等安全事故的发生。
1、管道直径的选择:管道直径是压力管道尺寸规范中的重要参数,选择合适的直径应综合考虑流体的性质、流量、流速、压力损失等因素,以确保管道内的流体能够顺畅流通。
2、壁厚的设计:壁厚是压力管道承受压力的关键,在设计过程中,应根据管道的使用压力、材料性能、外部环境等因素综合考虑,确保管道在承受压力时具有足够的强度和稳定性。
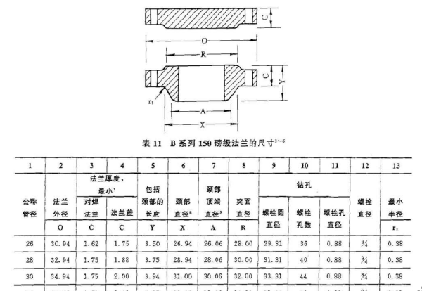
3、管道连接方式的选用:压力管道的连接方式应保证管道的密封性和强度,常见的连接方式有焊接、法兰连接、螺纹连接等,选用合适的连接方式应根据管道的材料、直径、使用场合等因素进行综合考虑。
4、管道附件的配套:压力管道的尺寸规范还包括管道附件的配套,如阀门、法兰、支架等,这些附件的尺寸和性能应符合国家标准,以确保整个管道系统的协调性和稳定性。
压力管道尺寸规范的实施与监督
1、设计阶段的实施:在压力管道设计过程中,应严格按照国家相关标准和规范进行设计,确保管道尺寸符合规范要求。
2、制造阶段的监督:在制造过程中,应对管道的材质、制造工艺、尺寸等进行严格把关,确保制造出的管道符合设计要求。
3、安装与运行阶段的监控:在管道安装与运行过程中,应对管道的尺寸、连接、密封等进行定期检查和维护,确保管道的安全运行。
压力管道尺寸规范的要求是保证管道安全、高效运行的关键,本文详细介绍了压力管道尺寸规范的主要内容,包括管道直径、壁厚、连接方式及管道附件的配套等,强调了压力管道尺寸规范的实施与监督的重要性,以确保管道的设计、制造、安装和运行符合国家标准,通过遵循压力管道尺寸规范要求,我们可以有效保障人民生命财产安全,促进工业技术的持续发展和进步。
转载请注明来自醉美玉溪,本文标题:《压力管道尺寸规范深度解析》








蜀ICP备2022005971号-1
还没有评论,来说两句吧...